![]() |
ここでもう一度ボール盤に登場してもらいましょう。 ■の部分を ロータリービット(2)を使って 幅3mm/高さ(深さ?)1mm削ります。 |
![]() |
矢印側から見た拡大図です。 直線と直線の間は、滑らかな曲線でつないで下さい。 これはパッキンを取り付ける場所になります。 |
![]() |
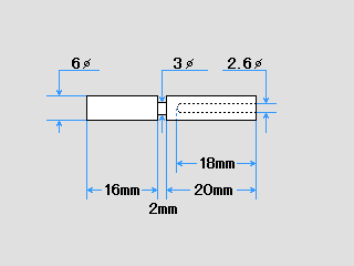
そうだ。シャフトを作るのを忘れてました。(^_^; 旋盤屋さんに、直径6mmのアルミの丸棒を図のような形に加工してもらいました。 これを必要な長さに切って使っています。 ←これが正しい値です。 |
![]() |
シャフトには図のような「Oリング」をセットします。 僕の使ったのは「KAKUDAI」の補修用Oリング(P−3)ですが、規格品だと思うので、 同サイズの適当なものを使って下さい。(^o^) |
![]() |
たとえばこんな感じで使います。 これはフィルム巻き上げレバーの部分です。 回り止めにアルミ板を曲げてあるのが見えるでしょうか? アルミ板は1.0tを使っています。 先に曲げてから穴をあけないと、思う位置で曲げられないので注意して下さいね。(^_^; |
![]() |
シャフトを通す穴は、鏡筒部分以外はアクリル板に直接6mmの穴をあけます。 写真のようなプラスチック専用のキリを使うときれいな穴があけられます。 シャフトを通すときは「Oリング」にシリコングリスを塗るのを忘れないように! |
![]() |
パチン錠を取り付けます。 写真は「タキゲン」製の C526で、内部にバネが入っています。 パッキンがついていない状態で、2mm退いて取り付けます。 取り付けは2.6mmのキリで深さ6mm程度の穴をあけ、 3mmのタップでネジを切り、ステンレスのビスで取り付けます。 |
Homeへ | 工作室に戻る |
---|