さて、秋月のキットの回路についてさらなる考察を深めた制作者は、ただ作るだけでは物足りなくなりました。市販の卓に劣らぬ機能を備えたいと思うようになってきたのです。
そうなると最終的にはコンピュータ制御(マイコン制御)になるのでしょうが、それは将来の話として、2号機を現在の知識でさらに発展させてみたいと思います。
2号機の弱点
2号機は、名機といっても過言ではありませんが(笑)しかしいくつか不便な点があります。
まず、入力に対して使えるフェーダーが固定だという点です。
例えば3回路入力を用意したとして、地明かりが最も電力を食うので二回路を地明かりに割り振ったとします。そうすると自動的に6本が地明かりで3本が仕込み明かりとなります。
が、ふつう地明かりは6本もいらず、仕込み明かりは逆に3本では足りません。そういった自由度がないのが問題となります。
また、マスターフェードがないのもオペが大変です。
マスターフェードについては、秋月のキットを2段重ねにすることによって実現可能であるという情報を仕入れました。ということは1chの調光機を製作して入力の手前に噛ませばいいわけです。
あるいは、工具箱2号機でも、出力に入力を差してやればいいわけです。
ということは、3号機はそういった使い方をも想定したパッケージングになります。
また、秋月の回路図の説明を読むと可変抵抗は200kΩがいいけど250kΩしか製品がないのよ。と書いてあるように読めます。実際、スライド抵抗のストロークのうち半分近くは無反応です。これではストロークが勿体ないです。
そこで、半固定抵抗器で調節できるような物を考えてみます。
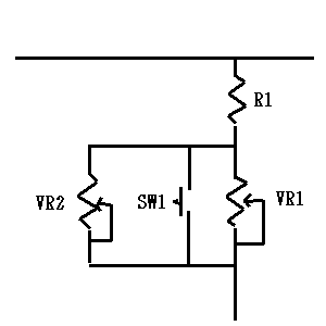
R1と
VR1(スライド抵抗)が、もともと回路図にあるものです。
VR1に並列に
SW1と
VR2を仕込みます。
まず
SW1ですが、
タクティカルスイッチです。これはタッチボタンとして、ダンスシーンなど明かりをパカパカとかえるのに便利です。スイッチを押している間だけ、スライド抵抗の値に関係なくショートして0にするので、フル灯になります。
さて、問題は
VR2(半固定抵抗)の決定です。
並列回路での合成抵抗の値は
逆数の和の逆数です。式で書くと、
1/R1 + 1/R2 + 1/R3 + …… = 1/R
250KΩの抵抗と合成して200KΩぐらいになる抵抗値は
1/250KΩ + 1/XΩ = 1/200KΩ
この式をXについて解けばいいわけです。解くと、
X=1MΩ
を得ます。
実際に仮組みをして実験を繰り返してみた結果、160KΩ付近まで下げれば、ストロークを完全に使い切ることが出来そうです。
まあ、全くアソビがないのも困りますから、やはりここは1MΩあたりが妥当でしょう。
これで実際に回路を組み、測定装置として
ラインセパレーター
と
クランプメーターを使い、検証をしてみました。
| | コンセント | 工具箱2号dash | 工具箱3号 仮組み |
| 50% | − | 1.70 | 1.90 |
| 100% | 3.43 | 3.35 | 3.28 |
- 50%とは、フェーダーのストロークで半分という意味です。
- 数字は、A x 10 です。
- 負荷には40W白熱電球を用いました。
まあ、間に何かを挟めば欠損は避けられないわけで、見た目の明るさの違いは分かりませんが、調光機によって多少光量が減少するのはしょうがないとして、何故か二号と三号でも違いがあります。
いろいろ考えてみましたが、原因はいまのところ不明です。
使用しているトライアックの違いかもしれません。
50%のときの二つの調光機の違いについて検討します。
僕が手に入れた(そして一般に手に入れられる)スライド抵抗はいわゆる
Bカーブといって、スライドによって直線的に抵抗値が変化します。
それに対して500KΩの抵抗を並列に挟んだ場合、並列時の合成抵抗の公式から簡単に計算できて
| 無し | 有り |
| 250K | 166K |
| 125K | 100K |
| 0 | 0 |
となります。
秋月のキットに付属の回路図裏面にある動作原理によれば、RC回路により時定数を決めるわけですが、オームの法則が線形方程式なので、抵抗値の変化に対してRC回路を流れる電流は直線変化をします。よって、時定数も直線変化するでしょう。となると、出力電圧のサインカーブの時間軸に対して、スライド位置と同じようにパルスを出すと考えられます。

左図における2号機の状況がこれです。
上から、負荷に流れる電圧。ゲートにかかるパルス。そしてスライド抵抗のスライド位置です。
3号機では、スライド位置が半分でも抵抗値は半分より大きいわけですから、パルス位置は右にずれることになります。そのことによりオンが遅れ、光量は減少します。
フル灯付近と消灯付近では、スライドの長さに対して増える(減る)電力量(サインカーブの黒く塗りつぶした部分の面積)は少ないですから、並列に抵抗を挟んだ場合、消灯付近のなかなか電力の増えない部分をゆっくり通過し、フル灯付近のスライドしてもあまり電力の加算されない部分を素早く済ますことになります。
しかし、実測値では50%で既に半分以上流れています。3号機(仮組み)は、実験に際してフェーダーの0とクランプメーターの0を合わせたわけですが、少しフェードを上げるとすぐに点きます。電球は定格の20%程度の電流までは光らないわけですから、この場合、既に20%程度は流れていると考えることも出来ます。(何故かクランプメーターの針は振れませんでしたが)
となると、スライドに対して最も電力が増えるサインカーブの山の部分をゆっくりと通過するわけで、より繊細なオペレーションが可能になるということでもあります。
クランプメーターの値ではなく、見た目の光量などから推察すると

左図のような感じかもしれません。
実際、丸茂の
TZ−6を使ったことがありますが、なかなか点かず、点くとすぐに明るくなってしまうため、非常にオペがやりにくかったことを思い出します。
#カットインの前に、分からない程度にしょんぼり点けて、灯体を暖めておく。みたいな技が使いにくい。。。
いずれにせよ、クランプメーターでの測定では限界があり、あくまで波形を推測しつつの検証ですから、これで正しいという自信はありません。機会があればオシロで波形をみたいものですが、今回はこれまでとします。