回路図集


これらの図面は、岡田仁史さん製作の回路図エディタCEやBSchで作成しました。これらのソフトは平田和貴さんのホームページで入手できます。興味のある方はここをクリックしてください。


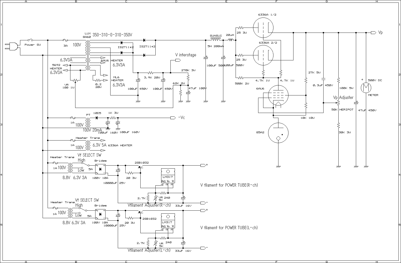
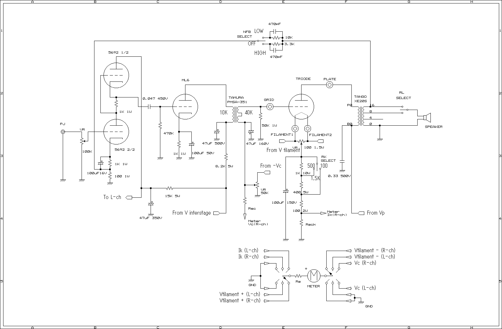
ユバーサルアンプの回路図



オーディオのコーナーに戻る