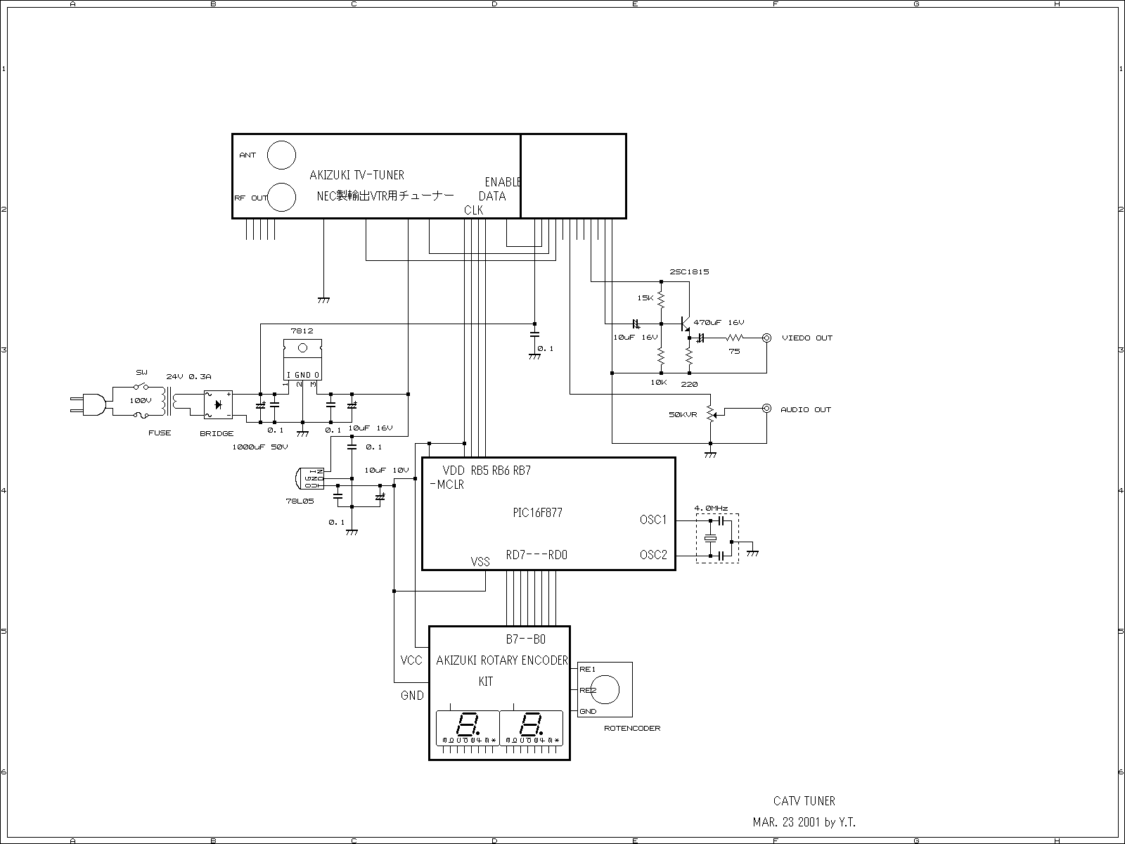
CATVƒ`ƒ…[ƒi[‚Μ‰ρ˜H}



–ί‚ι