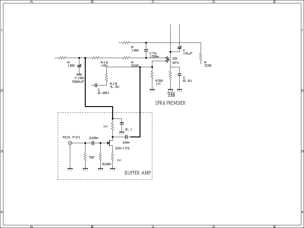
SPR4—pƒwƒeƒƒ_ƒCƒ“”­MŠí‚ÆSPR4’“ü•”‚̉ü‘¢‰ñ˜H}

–ß‚é